Cкачать инструкцию
Описание
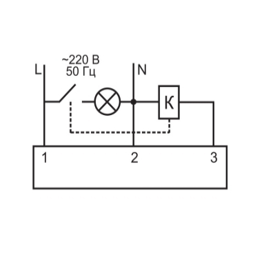
Назначение: Фотореле день ночь AWZ-30 служит для автоматического управления светом. С наступлением темноты включая его, на рассвета отключая.
Принцип работы: Датчик освещенности, встроенный в прибор, позволяет контролировать (отслеживать) уровень освещенности. В зависимости от её интенсивности он и срабатывает. Регулируется данная чувствительность путем поворота регулятора, имеющегося на корпусе фотореле. В сторону "солнца" — для включения при большей интенсивности, и "месяца" — при меньшей.
Применяется для: управления подсветкой билбордов, витрин магазинов, освещением заданной части территории или конкретного объекта.
Монтаж: Реле с датчиком освещенности прикрепляется на монтажную основу 2-мя шурупами. Изделие имеет степень защиты ІР65 и должно быть установлено там, где есть хороший доступ естественного освещения. При этом, фотодатчик не должен попадать под свет включаемого освещения.
Как купить: приобрести фотореле AWZ-30 можно просто добавив товар в корзину и оформив заказ, либо же позвонив нам по выше указанным телефонам. У нас вы также можете купить и датчики освещения на 16А.
Характеристики
| Параметр | Значение |
|---|---|
| Напряжение питания: | 220В, 50Гц |
| Максимальный ток нагрузки: | 30А |
| Порог включения, регулируемый: | с 2 по 100 Лк |
| Гистерезис: | около 15 Лк |
| Задержка включения: | 1-15 сек |
| Задержка выключения: | 10-30 сек |
| Потребляемая мощность: | 0,8 Вт |
| Подключение: | зажимы винтовые 4 мм2 |
| Коммутационная износостойкость: | 105циклов |
| Рабочая температура: | от -25°С до +50°С |
| Степень защиты: | IP65 |
| Размеры: | 70х86х35 мм |
| Монтаж: | двумя шурупами на плоскость |





