Cкачать инструкцию
Описание
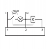
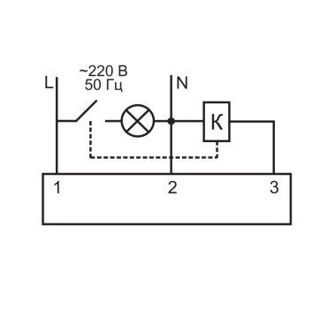
Назначение: Фото реле AWZ управляет освещением в автоматическом режиме, включая его с наступлением темноты и отключая на рассвете.
Принцип работы: При помощи встроенного фотодатчики, изделие контролирует уровень естественной, внешней освещенности. Срабатывает устройство с изменением её интенсивности. Чувствительность срабатывания реле освещенности можно отрегулировать поворотным регулятором. В сторону «месяца» для включения при меньшей интенсивности и в сторону «солнца» соответственно при большей.
Применяется данный прибор для управления освещением на улице (большие территории, объекты), для подсветки витрин в темное время суток, магазинов, рекламных билбордов.
Монтаж: Реле освещенности AWZ крепится на монтажную основу двумя шурупами. Прибор имеет степень защиты ІР65, устанавливается в место, где есть хороший доступ естественного освещения. При этом, сам фотодатчик не должен попасть под свет включаемого освещения.
Как купить: AWZ а также другие датчики света купить вы можете просто добавив товар в корзину и подтвердив его приобретение.
Характеристики
| Параметр | Значение |
|---|---|
| Напряжение питания: | 220В, 50Гц |
| Максимальный ток нагрузки: | 16А |
| Порог включения, регулируемый: | c 2 по 1000 Лк |
| Гистерезис: | около 15 Лк |
| Задержка включения: | 1-15 сек |
| Задержка выключения: | 10-30 сек |
| Потребляемая мощность: | 0,8 Вт |
| Присоединение проводов: | зажимы винтовые 2,5 мм2 |
| Выносливость контактов: | 105 включений |
| Рабочая температура: | от -25°С до +50°С |
| Степень защиты: | IP65 |
| Размеры: | 60х85х35 мм |





