Описание
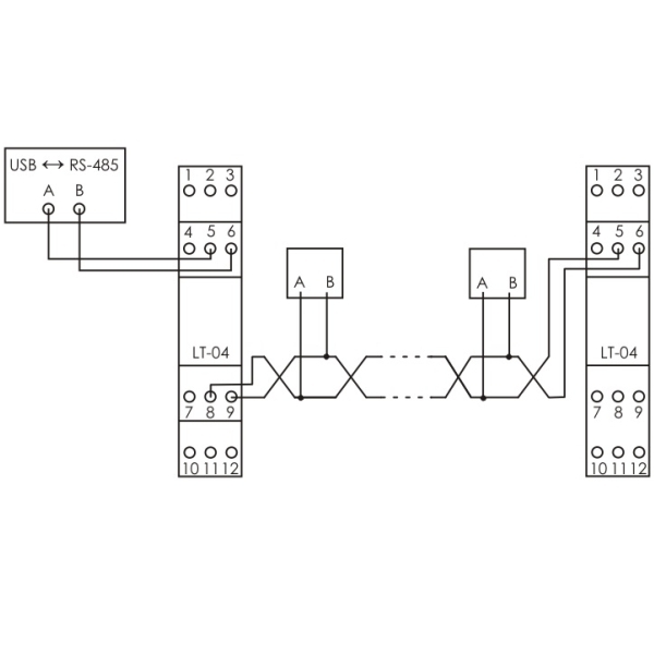
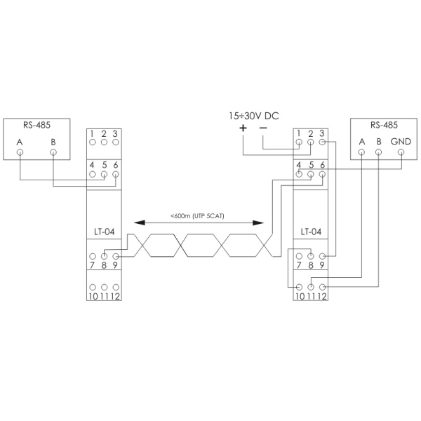
Модуль LT-04 терминацийно-поляризационный служит для согласования и поляризации сигнальных линий (UTP кабель) между устройствами, которые по последовательному интерфейсу RS485 и протоколу MODBUS обмениваются данными.
Принцип работы модуля: согласование это окончание сигнальной линии (UTP кабель) соответствующими опорами для погашения отражения волн на концах линии. В значительной степени это повышает качество передачи данных, параллельно исключая ошибки, которые возможны при передаче. Поляризация линии (защитное смещение для содержания логической "1" на линии при отсутствии передачи) используется когда хотя бы одно из устройств типа SLAVE в сети RS-485 не имеет сигнального контакта GND. Защитное смещения проводится только в 1-й точке линии, обычно на стороне устройства типа MASTER.
Характеристики
| Параметр | Значение |
|---|---|
| Напряжение питания: | 15÷30В DC |
| Потребляемый ток: | <10mA |
| Рабочая температура: | от -25°С до +50°С |
| Присоединение проводов: | зажимы винтовые 2,5 мм2 |
| Потребляемая мощность: | 0,1 Вт |
| Размеры: | 1 модуль (18 мм) |
| Монтаж: | на шине TH-35 |





