Cкачать инструкцию
Описание
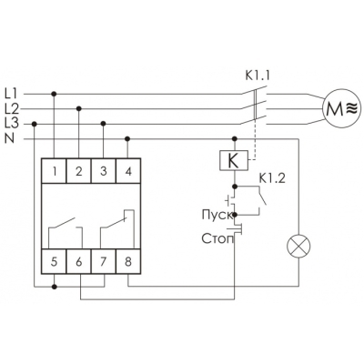
Назначение: Реле фаз CZF-BM предохраняет электродвигатели переменного тока от пропадания на 1-ой или 2-х фазах напряжения, и от асимметрии напряжения между ними.
Принцип работы: Прибор непрерывно контролирует значение напряжения в каждой из фаз и величину асимметрии. В случае её пропадания, либо же выхода значения за граничные показатели — разъединяет цепь.
Применяется для: защиты электроприводов, электродвигателей, оборудования холодильного, промышленного, различных других механизмов от пропадания фазы, и потенциально опасного изменения значений асимметрии питания.
Монтаж: Реле защиты электродвигателей устанавливается в распределительный щит на Дин-рейку 35мм. Нужные настройки задаются поворотным регулятором.
Примечание: Предусматривается регулировка времени срабатывания прибора. Гистерезис = 5В. Отключение можно регулировать при асимметрии в диапазоне от 40В и до 80В.
Как заказать: Реле фаз купить можно у нас в таком варианте, а можно приобрести модель CZF-BS. Оба изделия имеют гарантию 18 месяцев. Доставляются в любой город по Украине. Для оформления добавляйте товар в корзину, и ожидайте звонка специалиста. Все варианты реле фаз смотрите тут.
Характеристики
| Параметр | Значение |
|---|---|
| Напряжение питания: | 3х380/220 В~ + N |
| Максимальный ток нагрузки: | 10 А |
| Группы выходных контактов: | 1 замыкающий, 1 размыкающий |
| Асимметрия напряжений аварийного отключения: | 40 – 80 В~ |
| Гистерезис: | 5 В~ |
| Задержка аварийного отключения: | 0,5 - 15 с |
| Потребляемая мощность: | 1,6 Вт |
| Присоединение проводов: | зажимы винтовые 2,5 мм2 |
| Выносливость контактов: | 105 включений |
| Диапазон рабочих температур: | от -25°С до +50°С |
| Степень защиты: | IP40 |
| Размеры: | 2 модуля типа S (35 мм) |
| Монтаж: | на DIN-рейке 35 мм |



