Cкачать инструкцию
Описание
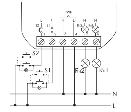
Назначение: Импульсное (бистабильное) реле BIS-416 позволяет осуществлять управление освещением в доме (или другом помещении) из нескольких мест. Производится оно по 2-х проводной линии, используя в параллель соединительные выключатели кнопочные. Данное реле имеет 2 секции и управляет 2-мя нагрузками в последовательности.
Принцип работы: Нажатие любого из выключателей данной параллельной линии приводит к включению реле и естественно включению либо отключению освещения. В устройстве отсутствует память наличия питания, что позволяет ему быть в отключенном состоянии при пропадании и последующем появлении напряжения, а следовательно управляемое освещение и приборы не будут включены в отсутствии присмотра.
Применение: Используется такое устройства для управления освещением в доме из нескольких точек. К примеру, в длинном коридоре, на садовой аллее (позволит управлять подсветкой целой группы фонарей), просто на лестнице,также в жилых многоквартирных жилых домах, отелях. При этом реализующаяся схемы такова: «включение при входе, выключение при выходе».
Монтаж: прибор устанавливается в монтажную коробку. Не работает с выключателями однопозиционными с неоновой подсветкой.
Как купить: Реле управления освещением BIS-416, как и другие реле импульсные заказывайте по телефону или же на сайте. Доставка указанных позиций производится в кратчайший срок в любой город Украины.
Характеристики
| Параметр | Значение |
|---|---|
| Напряжение питания: | 100-265В, АС |
| Максимальный ток контактов реле: | 2х8А |
| Контакт: Тип | 2NO/2NC |
| Ток управления: | 0,5-1 мА |
| Задержка включения: | 0,1-0,2 с |
| Сигнализация питания: | + |
| Рабочая температура: | от -25°С до +50°С |
| Потребляемая мощность: | 0,7 Вт |
| Степень защиты: | IP20 |
| Габариты: | 48х43х25 мм |
| Монтаж: | в монтажной коробке d=60 мм |




