Описание
В наличие имеются АЗВ-2 2Р серии Standart на 10А, 16А, 20А, 25А, 32А, 40А.
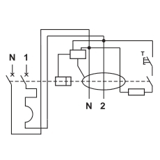
Дифавтоматы или автоматические выключатели защитного отключения АЗВ серии Стандрат сочетают в себе функции автомата выключателя, а также реле защитного отключения. И одновременно контролируют токи короткого замыкания, перенапряжения, и токи утечки на землю.
Данный дифавтомат АЗВ служит для защиты людей от поражений электрическим током при любом контакте (прямом, непрямом) с токоведущими частями. Также АВЗ-2 защищает оборудование от пожаров, возможных в результате повреждения проводки, и кроме того защищает электроцепи переменного тока с напряженияем 230В и 50Гц частотой от КЗ (короткого замыкания) и перенапряжения.
Изготавливаются дифференциальные автоматы на токи 10А-40А.
Ипользуются на определенных объектах, там где неуместно применять распределительные или силовые щиты.
Конструкцией дифференциального автомата предполагается наличие 2-х максимальных расцепителей тока это:
- расцепитель тока короткого замыкания — электромагнитный расцепитель;
- расцепитель тока перегрузки — тепловой расцепитель.
Также есть возможность проверки исправности дифавтомата кнопкой "Тест".
Характеристики
| Параметр | Значение |
|---|---|
| Количество полюсов: | 2 |
| Номинальный ток, А: | 40 |
| Ток утечки, мА: | 30 |
| Номинальное напряжение, В: | ~230 |
| Характеристика электромагнитной защиты: | С |
| Граничная коммутационная способность Ikc, кА: | 4,5 кА |
| Класс ограничения энергии: | 3 |
| Номинальная частота, Гц: | 50 |
| Время срабатывания (не более), сек: | <0,1 |
| Количество циклов (вкл/откл): | 10000 |
| Сечение фазных проводов, которые подключаются, мм2: | до 16 |
| Сечение нейтральных проводов, которые подключаются, мм2: | до 10 |
| Крепление на Din-рейку: | 35х7,5 |
| Степень защиты: | IP 20 |
| Тип дифференциальной защиты: | электронный |






