Описание
Дифавтомат АЗВ-2 25А серии EVO он же выключатель автоматический с функцией отключения при обнаружении тока утечки, способен одновременно производить защиту от КЗ (короткого замыкания), перегрузки, и утечки на землю.
Высокий уровень надежности и компактности достигается в результате применения электромеханического блока управления, в которых используется один коммутационный аппарат. Прибор АЗВ-2 обеспечивает защиту от коротких замыканий, перегрузок, поражений людей электрическим током.
Диф автоматы серии EVO (АЗВ-2) благодаря широкой номенклатуре и различию номинальных токов возможно использовать не только в строительстве бытового назначения, но и в более мощных сетях промышленных предприятий.
Особенности работы дифавтомата АЗВ-2:
Дифференицальный автомат серии EVO отключает электрическую цель при возникновении токов утечки равных показателям от 15mA до 3mA. В этом приборе используются такие виды максимальных расцепителей тока как:
- расцепитель токов перегрузки (тепловой расцепитель);
- расцепитель токов короткого замыкания (магнитный расцепитель).
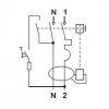
Предполагается возможность проверки работоспособности дифавтомата с помощью кнопки "Тест".
Характеристики
| Параметр | Значение |
|---|---|
| Степень защиты: | IP 20 |
| Характеристики отключения: | С |
| Номинальное напряжение, В: | ~230 |
| Номинальная частота, Гц: | 50 |
| Сечение проводов, которые присоединяются, мм2: | 16 |
| Класс ограничения энергии: | 3 |
| Рабочее положение: | любое |
| Крепление на Din-рейку: | 35х7,5 |
| Ток утечки, мА: | 30 |
| Коммутационная способность Icn (кА) при In 10-40А: | 6 |
| Время срабатывания (не более), сек: | 0,1 |
| Количество циклов (В/В): | 4000 |
| Тип дифференциальной защиты: | электромеханический |
| Количество полюсов: | 2 |
| Номинальный ток, А: | 25 |








