Описание
2 х полюсные автоматические выключатели на 40А.
В наличии также имеются выключатели двухполюсные серии ECO номинального тока: 1А-5А*, 6А, 10А, 16А, 20А, 25А, 32А, 50А, 63А.
Назначение: Выключатели модульные автоматические АВ2000 серии ECO необходимы для защиты низковольтных электрических цепей от короткого замыкания и перегрузок. Они могут произвести оперативное включение/выключение электрических цепей на бытовых объектах и промышленных, а также на подстанциях и распределительных приборах.
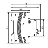
Монтаж: крепится прибор на Din-рейку 35х7,5. Можно использовать штыревые или вилковых гребенки.
Как купить: заказать изделия всегда можно на сайте либо по телефону. Доставку товара производим в любой город. Цена на автомат 40А указана за единицу продукции. Возможны поставки оптом. Кроме выключателей 2 х полюстых заданных токов, в серии ЕСО имеются модели АВ2000 2х модульные 50А и 63А, а также на приборы 6А, 10А, 16А, 20А и 25А, 32А.
Характеристики
| Параметр | Значение |
|---|---|
| Количество полюсов: | 2 |
| Характеристики отключения: | В*, С |
| Номинальное напряжение, В: | ~230/400 |
| Номинальный ток, А: | 40 |
| Номинальная частота, Гц: | 50 |
| Класс селективности: | 3 |
| Отключающая способность, кА: | 6 |
| Износостойкость при токе до 63А вкл/выкл (электрическая): | 1500 |
| Износостойкость при токе до 63А вкл/выкл (механическая): | 8500 |
| Сечение проводов, которые присоединяются, мм2: | от 1 до 25 |
| Степень защиты: | IP20 |
| Диапазон рабочих температур: | -5°С до +40°С |










